摘 要:伴随数字经济高速发展,智算产业对电力供应的连续性与可靠性提出了高要求。电压短暂中断可导致算力中断、数据丢失,造成不可估量的损失。安康智算产业园作为区域算力枢纽,基于AM5系列微机保护装置,构建了备自投与逐级投切控制系统,通过设计的逻辑闭环,实现了从电源故障发生到负载恢复的全自动控制,具备逐级恢复加载的特点。同时,在配电房中不同的应用对象配置不同的保护装置,有效保障了智算负荷的供电连续性与系统稳定性。
关键词:微机保护;备自投;逐级投切;供电连续性
1 概述
安康智算产业园位于安康高新区。项目投资概算219668.98万元,总用地面积68482.66㎡,总建筑面积122038.35㎡,计容建筑面积101600.99㎡。作为陕西省人工智能产业三大聚集区之一,安康智算产业园被列入省工业和信息化厅2024年至2026年人工智能发展规划,定位为全省智算三大供给侧之一。项目将以智算产业园建设为依托,加快推动算力与交通装备、消费电子等产业链条深度融合,持续拓展算力上下游产业、培育全链条产业生态,助力全市数字经济高质量发展。
此次项目为10kV人工智能高密度机房一期工程,针对智算负荷高可靠、高密度的供电需求,构建了“两路市电+两路柴发+母联互联"的单母线分段供电系统。采用两路独立的10kV市电进线作为主供电源,两路柴油发电机进线作为应急后备电源,进线之间通过母联开关实现互联互备,系统按单母线分段方式运行,I段、II段母线正常时分列供电,故障时通过母联开关实现负荷供电,确保单段母线检修或失电时另一段仍可带载运行。每段母线各带5台10/0.4kV干式变压器,共计10台变压器,为0.4kV侧的高密度机柜、制冷设备、照明及辅助系统提供分级配电。
2 供电需求分析
安康智算产业园需要使用备自投保护+逐级投切的原因如下:
(1)算力任务不能中断:AI模型训练周期长,断电重来会导致算力资源浪费、时间成本增加、经济损失巨大。因此,需要使用可自动投切的备用电源保证供电的连续性,帮助算力任务持续运行。
(2)机柜功率密度高:智算产业园的机柜功耗远超过普通的数据中心。若电源切换后一次性投入全部负载,会导致冲击电流升高、电压骤降,引发二次跳闸,严重时可能损坏前端设备。因此,须按照预设顺序分批投入负载,将冲击电流控制在可接受的范围内,保障供电设备安全。
(3)业务连续性需求:智算产业园服务的客户涵盖人工智能企业、科研机构、智能制造企业等,要保证电源切换迅速、负载投切过程不冲击,故使用备自投功能保障电源切换的迅速可靠,同时逐级投切功能保障负载恢复过程平稳。
厂家联系18706162823(微信)
(4)柴发带载能力:柴油发电机启动时间长(通常在10-30s),且带载能力是逐步提升的,无法瞬间承受满负荷冲击。若柴发投入后一次性加载所有负载,会导致柴发过载停机,加剧供电风险。因此,须通过逐级投切逻辑,根据柴发的实际带载能力分批次投入负载,确保柴发供电的可靠性与稳定性。
(5)供电架构复杂:本项目采用“两路市电进线+母联+两路柴发进线"的单母线分段供电架构,正常运行时两段母线分列供电,故障时需通过母联实现负荷供电,市电恢复后还需自动退回原运行方式。这一架构衍生出单进线失电、双路进线失电、单进线恢复、双路进线恢复、柴发协同等多种工况,且各工况下的开关动作顺序、延时设置、互锁逻辑均不相同。因此,需要备自投系统具备高度的逻辑处理能力,确保供电系统在全场景下均能可靠、有序运行。
3产品方案
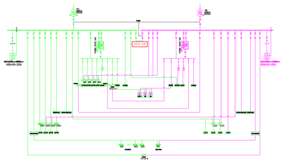
3.1 10kV备自投+逐级投切方案

图1 备自投一次图
本项目备自投装置采集两路市电进线电压电流、两路柴发进线电压及7处断路器位置,使用1台AM5-B实现备自投切换功能及2台AM5-F实现逐级投切功能,具体方案如下:
平时运行时1Q1、2Q1合闸,1Q7分闸,两路进线分列运行,U1=U2=1,1Q1=2Q1=1,1Q7=0。
1)当进线1失电时,U1=0,I1=0,AM5-B经延时(延时可设)跳开1Q1,检测到1Q1=0,且I母无压,由I段AM5-F经延时(延时可设)跳开I段负载,当I段负载跳开后(负载均为分位),由AM5-B经延时(延时可设)合上1Q7,检测到1Q7=1,且I母有压,I段AM5-F经延时(延时可设)逐级合上I段负载。
以下分为两种情况:
① 进线1恢复供电
检测到进线1恢复供电,U1=1,AM5-B经延时(延时可设)跳开1Q7,检测到1Q7=0,AM5-B经延时(延时可设)合上1Q1。
注:此处1Q7跳开尚未合1Q1时,I母无压,由I段AM5-F经延时(延时可设)跳开I段负载,待1Q1合上且I母有压,再由I段AM5-F经延时(延时可设)逐级合上I段负载。
② 进线2失电
检测到进线2失电,U2=0,I2=0,AM5-B经延时(延时可设)跳开1Q7,检测到1Q7=0,AM5-B经延时(延时可设)跳开2Q1,柴发自行启动,检测到U4=1,AM5-B经延时(延时可设)合上1Q2;检测到U5=1,AM5-B经延时(延时可设)合上2Q2。
注:此处1Q7、2Q1跳开尚未合1Q2、2Q2时,I母、II母无压,由I段AM5-F经延时(延时可设)跳开I段负载,待1Q2合上且I母有压,再由I段AM5-F经延时(延时可设)逐级合上I段负载;由II段AM5-F经延时(延时可设)跳开II段负载,待2Q2合上且II母有压,再由II段AM5-F经延时(延时可设)逐级合上II段负载。
2)当进线2失电时,U2=0,I2=0,AM5-B经延时(延时可设)跳开2Q1,检测到2Q1=0,由II段AM5-F经延时(延时可设)跳开II段负载,当II段负载跳开后(负载均为分位),由AM5-B经延时(延时可设)合上1Q7,检测到1Q7=1,II段AM5-F经延时(延时可设)逐级合上II段负载。
以下分为两种情况:
① 进线2恢复供电
检测到进线2恢复供电,U2=1,AM5-B经延时(延时可设)跳开1Q7,检测到1Q7=0,AM5-B经延时(延时可设)合上2Q1。
注:此处1Q7跳开尚未合2Q1时,II母无压,由II段AM5-F经延时(延时可设)跳开II段负载,待2Q1合上且II母有压,再由II段AM5-F经延时(延时可设)逐级合上II段负载。
② 进线1失电
检测到进线1失电,U1=0,I1=0,AM5-B经延时(延时可设)跳开1Q7,检测到1Q7=0,AM5-B经延时(延时可设)跳开1Q1,柴发自行启动,检测到U4=1,AM5-B经延时(延时可设)合上1Q2;检测到U5=1,AM5-B经延时(延时可设)合上2Q2。
注:此处1Q7、1Q1跳开尚未合1Q2、2Q2时,I母、II母无压,由I段AM5-F经延时(延时可设)跳开I段负载,待1Q2合上且I母有压,再由I段AM5-F经延时(延时可设)逐级合上I段负载;由II段AM5-F经延时(延时可设)跳开II段负载,待2Q2合上且II母有压,再由II段AM5-F经延时(延时可设)逐级合上II段负载。
3)当进线1和进线2同时失电时,检测到U1=U2=0,I1=I2=0,AM5-B经延时(延时可设)跳开1Q1、2Q1,柴发自行启动,检测到U4=1,AM5-B经延时(延时可设)合上1Q2;检测到U5=1,AM5-B经延时(延时可设)合上2Q2。
注:此处1Q1、2Q1跳开尚未合1Q2、2Q2时,I母、II母无压,由I段AM5-F经延时(延时可设)跳开I段负载,待1Q2合上且I母有压,再由I段AM5-F经延时(延时可设)逐级合上I段负载;由II段AM5-F经延时(延时可设)跳开II段负载,待2Q2合上且II母有压,再由II段AM5-F经延时(延时可设)逐级合上II段负载。
厂家联系18706162823(微信)
以上均失电后,进线来电后分为以下情况:
① 进线1来电,进线2不来电
检测到U1=1,U2=0,AM5-B经延时(延时可设)跳开1Q2,2Q2,检测到1Q2=2Q2=0,AM5-B经延时(延时可设)合上1Q1,检测到1Q1=1,且II段负载为分(此时由于进线1来电,柴发停机,II段母线无压,负载已由逐级投切跳开),AM5-B经延时(延时可设)合上1Q7,检测到1Q7=1,II段AM5-F经延时(延时可设)逐级合上II段负载。
注:此处进线1来电,柴发停机,尚未合1Q1时,I母无压,由I段AM5-F经延时(延时可设)跳开I段负载,待1Q1合上且I母有压,再由I段AM5-F经延时(延时可设)逐级合上I段负载,和AM5-B合母联不分先后。
② 进线2来电,进线1不来电
检测到U1=0,U2=1,AM5-B经延时(延时可设)跳开1Q2,2Q2,检测到1Q2=2Q2=0,AM5-B经延时(延时可设)合上2Q1,检测到2Q1=1,且I段负载为分(此时由于进线1来电,柴发停机,I段母线无压,负载已由逐级投切跳开),AM5-B经延时(延时可设)合上1Q7,检测到1Q7=1,I段AM5-F经延时(延时可设)逐级合上I段负载。1S
注:此处进线2来电,柴发停机,尚未合2Q1时,II母无压,由II段AM5-F经延时(延时可设)跳开II段负载,待2Q1合上且II母有压,再由II段AM5-F经延时(延时可设)逐级合上II段负载,和AM5-B合母联不分先后。
③ 进线1和进线2同时来电
检测到U1=1,U2=1,AM5-B经延时(延时可设)跳开1Q2,2Q2,检测到1Q2=2Q2=0,AM5-B经延时(延时可设)合上1Q1,2Q1。
注:此处进线1、进线2来电,柴发停机,尚未合1Q1、2Q1时,I母、II母无压,由I段AM5-F经延时(延时可设)跳开I段负载,待1Q1合上且I母有压,再由I段AM5-F经延时(延时可设)逐级合上I段负载;由II段AM5-F经延时(延时可设)跳开II段负载,待2Q1合上且II母有压,再由II段AM5-F经延时(延时可设)逐级合上II段负载。
3.2 10kV各回路保护配置方案
本期项目10kV回路使用AM5SE系列及AM5系列微机保护测控装置实现供电系统的保护。下图为部分上图方案:
图2 柴发并机接线图及上图方案

图3 10kV接线图及上图方案
3.3 0.4kV低压备自投方案
项目0.4kV低压侧配置AM5-DB低压备自投装置,实现母联备自投功能,方案如下:
(1)正常运行时,母联断路器处于分闸状态,两路进线断路器处于合闸状态,系统分列运行。
(2)当任意一段母线失电时,备自投装置检测到该段母线无压、进线无流,自动跳开对应进线断路器,合上母联断路器,由另一路进线带两段母线运行。
(3)当失电进线恢复供电后,备自投装置自动跳开母联断路器,合上原进线断路器,系统恢复至两路进线分列运行状态。
图4 低压备自投上图方案
项目整体配置的微机保护测控装置主要功能如下:
产品图片 | 产品型号 | 配置数量 | 产品功能 |
| AM5SE-MD 油机进线差动保护装置 | 9台 | 差动速断保护、比率差动保护、差流越限、CT断线 |
AM5SE-F 线路保护装置 | 5台 | 三段式过流保护(可经低压闭锁,可带方向)、反时限过流保护(可经低压闭锁)、两段式零序I01过流/反时限过流保护、两段式零序I02过流/反时限过流保护、重合闸、后加速过流保护(可经低压闭锁)、过负荷告警、过负荷跳闸、失压跳闸、失压告警、过电压保护、零序过压保护、逆功率保护、频率保护(低频减载/高频保护)、PT断线告警、控制回路断线告警、FC回路配合的过流闭锁功能、检同期 | |
AM5SE-UB PT监测并列消谐装置 | 1台 | I母PT低电压告警、I母PT过电压告警、I母PT零序过压告警、I母PT断线告警、II母PT低电压告警、II母PT过电压告警、II母PT零序过压告警、II母PT断线告警、三分频谐振、二分频谐振、三倍频谐振、高频谐振、基频谐振、单相接地、PT自动并列解列、PT遥控并列解列 | |
| AM5-F 线路保护装置 | 16台 | 三段式过流保护(可经低电压闭锁、可带方向闭锁)、反时限过流保护(可经低电压闭锁)、两段式零序 I01 过流/I01 反时限过流保护、两段式零序 I02 过流/I02 反时限过流保护、零序 I01/I02 后加速过流保护、重合闸、后加速过流保护(可经低电压闭锁)、过负荷告警/跳闸、过电压跳闸/告警、失压跳闸/告警、零序过压跳闸/告警 、频率保护(低频减载/高频保护) 、PT 断线告警、控制回路断线告警、非电量保护 |
AM5-T 变压器保护装置 | 6台 | 三段式过流保护(可经复合电压闭锁)、反时限过流保护(可经复合电压闭锁)、两段式零序 I01 过流/I01 反时限过流保护、两段式零序I02过流/I02 反时限过流保护、过负荷告警/跳闸、PT 断线告警、控制回路断线告警、非电量保护(重瓦斯/超温/高温/轻瓦斯/压力释放/变压器门开/温控器故障)、间歇接地保护、检修状态闭锁 | |
AM5-F 定制化保护 | 2台 | 逐级分合负载 | |
AM5-B 备自投保护装置 | 1台 | 两进线两柴发一母联分段备投定制化功能 | |
AM5-DB 低压备自投保护装置 | 3台 | 分段备投、进线备投、自适应备投、联切备投、检同期 |
4现场应用
本项目微机保护就地分散安装在各个开关柜上,现场安装如下图所示,该项目所需保护功能已验证完毕,目前正常运行。

图5 现场安装图片
5 结语
安康智算产业园作为区域算力枢纽,其供电系统的可靠性与稳定性直接关系到算力任务的连续运行与数据安全。本文从项目实际需求出发,分析了智算负荷对供电连续性的要求,系统阐述了备自投与逐级投切技术在安康智算产业园应用的必要性。基于AM5系列微机保护装置构建的备自投与逐级投切控制系统,能够有效应对高密度机柜冲击电流、柴发带载能力弱、供电架构复杂等多重技术挑战,实现从电源故障到负载恢复的全自动、逐级、小冲击控制。同时,针对不同应用对象配置相应的保护装置,整体方案为智算产业园的高可靠供电保障提供了切实可行的技术解决方案。
参考文献
[1] 安科瑞企业微电网设计与应用手册.2020.6月版
[2] 安科瑞35KV以及下变电所智能配电系统设计与产品二次原理图集.2020.10月版
[3] 安科瑞用户变电站综合自动化与运维解决方案.2021.11月版